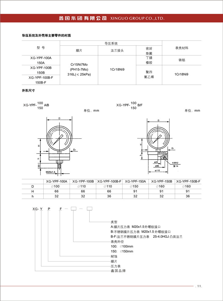
XG-YPF系列膜片壓力表
膜片壓力表適用于測量有一定腐蝕性,粘稠介質和非結晶或非凝固的各種流體介質的壓力或負壓。可根據測量介質對耐腐蝕性能的不同要求而選用不同材料的膜片。外殼用不銹鋼材料的膜片壓力表,可在工作環境較惡劣的情況
- 電 話:0550-7623999 7623888
- 傳 真:0550-7623199轉0
- 郵 箱:xinguo@xinguo.net
產品描述
XG / YPF 系列膜片壓力表:
膜片壓力表適用于測量有一定腐蝕性,粘稠介質和非結晶或非凝固的各種流體介質的壓力或負壓。可根據測量介質對耐腐蝕性能的不同要求而選用不同材料的膜片。外殼用不銹鋼材料的膜片壓力表,可在工作環境較惡劣的情況下使用。
結構原理:
膜片壓力表由測量系統(包括接頭、法蘭、膜片),傳動機構,指示裝置和外殼組成。儀表為密封型防濺結構,能有效地保護內部機件免受環境影響和污穢侵入。
在被測介質的壓力作用下,儀表的彈性元件(膜片)產生與壓力大小成正比的彈性變形——位移,借助連桿經傳動機構放大,由指示裝置指示出被測壓力值。
技術參數:
精 確度等級:2.5
使用環境溫度:-40~+70℃;相對濕度不大于90%。
溫度影響:使用溫度偏離20±5℃時,其溫度附加誤差不大于0.04%/ 10℃。
工作位置:垂直安裝。
外殼防護等級:IP64


瀏覽:
上一篇:XG-Y-M衛生型隔膜壓力表
下一篇:XG-YXC系列磁助電接點壓力表





